导 读
日前,中华人民共和国住房和城乡建设部批准《自动跟踪定位射流灭火系统技术标准》为国家标准,编号为GB51427-2021,自2021年10月1日起实施。其中,第4.2.2、4.2.8、4.8.1、4.8.2、4.8.3、5.3.5、5.4.1条为强制性条文,必须严格执行。
本文邀请主编单位对标准进行解读,说明了本标准研编的背景和依据,对《自动跟踪定位射流灭火系统技术标准》(GB 51427-2021)的主要内容进行解读,侧重解释了系统选型、设计参数、组件与设置、操作与控制、施工与验收等方面,以便更好地理解和把握标准要求、促进本标准的推广应用。并从技术体系、安全可靠、经济适用的角度总结了本标准的关键技术与创新点。作为首次制订的自动跟踪定位射流灭火系统国家标准将在今后的技术应用中不断完善。
自动跟踪定位射流灭火系统是以水为射流介质,利用红外、紫外、数字图像或其他探测装置对早期火灾的烟、温度、火焰等进行火灾的自动探测、跟踪、定位,并运用自动控制方式来实现射流灭火的固定灭火系统。自动跟踪定位射流灭火系统具有全天候实时监测保护场所特点,对现场的火灾信号进行采集和分析。其灭火装置的流量大、压力高,特别适用于空间高度高、体积大、火场温升较慢以及难以设置闭式自动喷水灭火系统的高大空间场所。规范自动跟踪定位射流灭火系统技术,对系统的推广应用具有积极的意义。
1 编制概况
1.1 编制背景与依据
自动跟踪定位射流灭火系统是近年来由我国自主研发的一种新型自动灭火系统。近20多年来,自动跟踪定位射流灭火系统在我国的体育场馆、展览厅、机场与车站的候车厅、商业建筑的大空间中庭、高大厂房等各类场所广泛应用,为高大空间建筑场所的消防扑救提供了一种全新而有效的灭火手段。
根据住房和城乡建设部《关于印发<2008年工程建设国家标准制订、修订计划>的通知》(建标〔2008〕102号)的要求,由应急管理部负责主编,应急管理部上海消防研究所会同有关单位共同编制完成了中华人民共和国国家标准《自动跟踪定位射流灭火系统技术标准》(GB 51427-2021,以下简称“标准”)。该“标准”由住房和城乡建设部批准发布,并于2021年10月1日起实施。
1.2 指导思想
“标准”编制的目的是合理地进行自动跟踪定位射流灭火系统的设计,保证施工质量,规范验收和维护管理,使其在火灾发生时能够快速、有效地扑灭火灾,最大限度地减少火灾损失。其意义在于编制和实施自动跟踪定位射流灭火系统的国家标准有利于保证该系统在设计、施工、安装、调试、验收、维护管理等各环节严格把关,保障工程质量,使其能够合理、可靠地发挥应有的灭火功能,同时让工程设计与施工单位有章可循,建设单位和消防监督部门在验收时有法可依,更好地发挥自动跟踪定位射流灭火系统的作用,以减少火灾危害、保护人身和财产安全。
“标准”的编制中,全面考虑国家和消防行业的技术、经济、自然条件,密切结合保护对象的功能、火灾特点及系统特性,做到安全可靠、技术先进、经济合理的原则,合理定位自动跟踪定位射流灭火系统在消防设施中的地位和作用。
2 主要内容解读
2.1 基本情况
“标准”《自动跟踪定位射流灭火系统技术标准》的主要内容包括总则、术语和符号、基本规定、设计、施工、验收和维护管理7个部分,有7个附录,并设有7条强制性条文。它为新编的国家工程建设技术标准。
“标准”适用于新建、扩建和改建的民用与工业建筑中自动跟踪定位射流灭火系统的设计、施工、验收和维护管理,不适用于火药、炸药、弹药、火工品工厂及仓库,核电站及飞机库等特殊功能建筑中自动跟踪定位射流灭火系统的应用。
自动跟踪定位射流灭火系统是将红外、紫外传感技术、烟雾传感技术、计算机技术、机电一体化技术有机融合,实现火灾监控和自动灭火为一体的固定消防系统。系统可分为3种类型,即自动消防炮灭火系统、喷射型自动射流灭火系统和喷洒型自动射流灭火系统。系统包括灭火装置、探测装置、控制装置、水流指示器、模拟末端试水装置以及管网、供水设施等主要组件。
自动跟踪定位射流灭火系统可用于扑救民用建筑和丙类生产车间、丙类库房中,火灾类别为A类的净空高度大于12 m的高大空间场所,以及净空高度大于8 m且不大于12 m、难以设置自动喷水灭火系统的高大空间场所。例如:火灾部位较明确,需要特定保护的建筑顶棚采用膜结构或玻璃等采光材料的部位;闭式洒水喷头无法有效感知温度和无法有效喷水灭火的部位;曲面吊顶、喷头固定困难、喷水有遮挡的部位等。当然,系统对一些场所也有不能应用的,如经常有明火作业、不适宜用水保护、存在明显遮挡、火灾水平蔓延速度快、高架仓库的货架区域、火灾危险等级为现行国家标准《自动喷水灭火系统设计规范》(GB 50084)规定的严重危险级的场所。这些主要是由于自动跟踪定位射流灭火系统自身的特点所决定的。
2.2 主要内容
2.2.1 系统选型
自动跟踪定位射流灭火系统的选型应根据设置场所的火灾类别、火灾危险等级、环境条件、空间高度、保护区域特点等因素来确定。其设置场所的火灾危险等级可按现行国家标准《自动喷水灭火系统设计规范》(GB 50084)的规定划分。
由于喷射型自动射流灭火系统和喷洒型自动射流灭火系统其灭火装置的流量相对较小,故推荐在轻危险级场所、中危险级场所选用。而自动消防炮灭火系统的流量相对较大、灭火能力更强,可在中危险级场所、丙类库房中选用。
对于类似于候车厅、展厅等空间较大的中危险级场所,由于喷射型自动射流灭火装置的流量和保护半径相对较小,为了满足探测及射流覆盖所有保护区域,需要灭火装置的数量会较大,这样可能导致布置喷射型自动射流灭火装置有困难或不经济,此时,这种情况可优先选用自动消防炮灭火系统。系统的选型要求见表1。
注:同一保护区内宜采用一种系统类型。当确有必要时,可采用两种系统类型组合设置。
因设置场所建筑布局和结构的特殊性,同一保护区宜采用同一种系统类型。当确有必要(如设计布置、保护效果等方面)时,也可以采用两种系统类型进行组合。例如,某商场中庭的高大空间内在其主体空间采用自动消防炮灭火系统,而与主体空间相邻且相通的边跨建筑空间,则可根据实际情况合理采用喷射型或喷洒型自动射流灭火系统。
2.2.2 设计参数
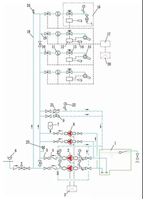
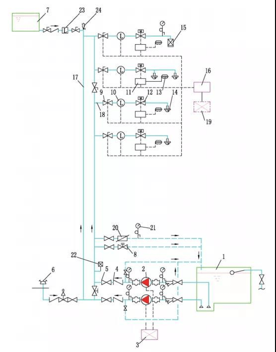
自动消防炮灭火系统/喷射型自动射流灭火系统基本组成如图1所示。喷洒型自动射流灭火系统基本组成如图2所示。

1-消防水池;2-消防水泵;3-消防水泵/稳压泵控制柜;4-止回阀;5-手动阀;6-水泵接合器;7-气压罐;8-稳压泵;9-泄压阀;10-检修阀(信号阀);11-水流指示器;12-控制模块箱;13-自动控制阀(电磁阀或电动阀);14-探测装置;15-自动消防炮/喷射型自动射流灭火装置;16-模拟末端试水装置;17-控制装置(控制主机、现场控制箱等);18-供水管网;19-供水支管;20-联动控制器(或自动报警系统主机) ;21-流量计;22-压力表;23-压力开关;24-自动排气阀1 消防水池;2 消防水泵;3 消防水泵/稳压泵控制柜;4 止回阀;5 手动阀;6 水泵接合器;7 气压罐;8 稳压泵;9 泄压阀;10 检修阀(信号阀);11 水流指示器;12 控制模块箱;13 自动控制阀(电磁阀或电动阀);14 探测装置;15 自动消防炮/喷射型自动射流灭火装置;16 模拟末端试水装置;17 控制装置(控制主机、现场控制箱等);18 供水管网;19 供水支管;20 联动控制器(或自动报警系统主机);21 流量计;22 压力表;23 压力开关;24 自动排气阀

1-消防水池;2-消防水泵;3-消防水泵控制柜;4-止回阀;5-手动阀 ;6-水泵接合器;7-高位消防水箱;8-泄压阀;9-检修阀(信号阀);10-水流指示器 ;11-控制模块箱;12-自动控制阀(电磁阀或电动阀);13-探测装置;14-喷洒型自动射流灭火装置;15-模拟末端试水装置;16-控制装置(控制主机、现场控制箱等);17-供水管网;18-供水支管;19-联动控制器(或自动报警系统主机) ;20-流量计;21-压力表;22-压力开关;23-流量开关;24-自动排气阀1 消防水池;2 消防水泵;3 消防水泵控制柜;4 止回阀;5 手动阀;6 水泵接合器;7 高位消防水箱;8 泄压阀;9 检修阀(信号阀);10 水流指示器;11 控制模块箱;12 自动控制阀(电磁阀或电动阀);13 探测装置;14 喷洒型自动射流灭火装置;15 模拟末端试水装置;16 控制装置(控制主机、现场控制箱等);17 供水管网;18 供水支管;19 联动控制器(或自动报警系统主机);20 流量计;21 压力表;22 压力开关;23 流量开关;24 自动排气阀
自动消防炮的流量选择是系统设计的重要参数,对于保证系统灭火的可靠性、安全性至关重要。本“标准”强制性条文规定,自动消防炮灭火系统用于扑救民用建筑内火灾时,单台炮的流量不应小于20 L/s;用于扑救工业建筑内火灾时,单台炮的流量不应小于30 L/s。为了提高系统灭火的可靠性,喷射型自动射流灭火系统的灭火装置也提出了流量的最低要求,即用于扑救轻危险级场所火灾时单台灭火装置的流量不应小于5 L/s,用于扑救中危险级场所火灾时单台灭火装置的流量不应小于10 L/s。其设计的同时开启数量应按2台确定。需要注意的是,为了使系统供水流量、消防储水容量不至于过大,经济合理地设计自动消防炮灭火系统和喷射型自动射流灭火系统,保护区内的任何一点都必须要有至少2台灭火装置的射流能够到达,但在设计中只考虑至多2台灭火装置同时开启。
喷洒型自动射流灭火系统的灭火装置布置应能使射流完全覆盖被保护场所及被保护物。系统的设计参数采用了喷水强度和作用面积。值得注意的是,喷洒型自动射流灭火系统灭火装置的设计同时开启数量,应按保护场所内任何一点着火时可能开启射流的灭火装置的最大数量确定,同时规定了设计同时开启数量应为不小于按作用面积计算所包含的灭火装置数量,且不大于该数量的150%。由于喷洒型自动射流灭火系统中探测装置和灭火装置通常为分体式安装,一台探测装置可对应一台或多台灭火装置(但通常不大于4台),因此,喷洒型自动射流灭火系统灭火装置需要考虑产品和工程应用的实际情况。其探测装置的覆盖面积往往大于灭火装置的保护区域,这样就不可避免地出现交叉覆盖区域。当探测装置的交叉覆盖区域内出现火情时,探测到火源的两个(或多个)探测装置对应的所有灭火装置会同时开启射流。为了避免造成同时开启的灭火装置数量过大,设计原则上应优先采用探测装置与灭火装置一一对应的布置形式,以控制系统的设计流量不至于过大而造成浪费。
灭火装置的设计工作压力与产品额定工作压力不同时,应在产品规定的工作压力范围内选用。“标准”强制性条文规定,自动跟踪定位射流灭火系统的设计持续喷水时间应不小于1 h。虽然自动跟踪定位射流灭火系统能在火势比较小的时候就启动灭火,在较短的时间内灭火,但考虑到进一步提高系统供水可靠性的因素,及确保系统在扑灭明火后具有延续喷水冷却降温的能力,从而采用了与《自动喷水灭火系统设计规范》(GB 50084)中的有关规定一致的设计持续喷水时间。
2.2.3 组件与设置
灭火装置中,自动消防炮和喷射型自动射流灭火装置应满足其俯仰和水平回转角度的使用要求,自动消防炮还应具有直流—喷雾的转换功能。自动消防炮灭火系统和喷射型自动射流灭火系统应保证至少2台灭火装置的射流能到达被保护区域的任一部位,以提高灭火保护的可靠性。喷洒型自动射流灭火装置尽量选用探测装置与灭火装置一一对应的产品,以避免增加不必要的灭火水量。需要注意的是,灭火装置的性能参数有定位时间、最小安装高度、最大安装高度等等。
灭火装置自动控制阀前应采用湿式管路,且自动控制阀后的干式管路长度不宜大于30 m,以减少管路充水时间,及时灭火。其安装位置应满足灭火装置正常使用和维护的要求,并应能满足灭火装置的喷射、喷洒反作用力要求。
为提高火灾探测的可靠和防止系统误报、误喷发生,探测装置应采用复合探测方式,并应能有效探测和判定保护区域内的火源,其监控半径应与对应灭火装置的保护半径或保护范围相匹配。复合探测方式有感烟和图像复合、红外和紫外复合、红外和图像复合、红外双波段或红外多波段复合等。探测装置应满足相应使用环境的防尘、防水、抗现场干扰等要求。
控制装置是系统的控制和信息处理组件,具有接收并及时处理火灾探测信号,发出控制和报警信息,驱动灭火装置定点灭火,接收反馈信号,同时完成相应的显示、记录、并向火灾报警控制器或消防联动控制器传送信号等功能的装置。控制装置包括:控制主机、信号处理器(火灾信号处理单元、驱动信号处理单元、反馈信号处理单元、解码器)、现场控制箱、消防水泵控制柜等。
每台自动消防炮及喷射型自动射流灭火装置、每组喷洒型自动射流灭火装置的供水支管上应设置水流指示器,起到火灾部位的辅助报警的功能。每个保护区的管网最不利点处应设模拟末端试水装置,它由探测部件、压力表、试水阀、试水接头及排水管组成。
在系统管网的设计中,提出了自动消防炮灭火系统和喷射型自动射流灭火系统每台灭火装置、喷洒型自动射流灭火系统每组灭火装置之前的供水管路应布置成环状管网。环状管网的管道管径应按对应的设计流量确定。
在系统的供水设计中,提出了自动消防炮灭火系统应设置独立的消防水泵和供水管网,喷射型自动射流灭火系统和喷洒型自动射流灭火系统宜设置独立的消防水泵和供水管网,并能保证不同系统的互不影响、正常运行。此外,采用临时高压给水系统的自动跟踪定位射流灭火系统宜设高位消防水箱。
2.2.4 操作与控制
“标准”规定,系统应具有自动控制、消防控制室手动控制和现场手动控制3种控制方式。消防控制室手动控制和现场手动控制相对于自动控制应具有优先权。自动消防炮灭火系统和喷射型自动射流灭火系统在自动控制状态下,当探测到火源后,应至少有2台灭火装置对火源扫描定位,并应至少有1台且最多2台灭火装置自动开启射流,且其射流应能到达火源进行灭火。喷洒型自动射流灭火系统在自动控制状态下,当探测到火源后,发现火源的探测装置对应的灭火装置应自动开启射流,且其中应至少有一组灭火装置的射流能到达火源进行灭火。以上均为强制性条文的规定。从控制的规定可以看出,“标准”要求灭火装置需要具有判断射水状态的反馈功能。
系统自动启动后应能连续射流灭火。当系统探测不到火源时,对于自动消防炮灭火系统和喷射型自动射流灭火系统应连续射流不小于5 min后停止喷射,对于喷洒型自动射流灭火系统应连续喷射不小于10 min后停止喷射。系统停止射流后再次探测到火源时,应能再次启动射流灭火。这也是系统启动、停止流程中判断的条件之一。
2.2.5 施工与验收
施工包括进场检验、施工与安装、试压和冲洗、调试的工序。“标准”强制性条文规定,布线施工前,应对导线的种类、电压、电流、绝缘等级进行检查;强电、弱电回路不应使用同一根电缆,应分别成束分开排列;不同电压等级的线路,不应穿在同一管内或线槽的同一槽孔内。检查数量为全数检查,检查方法为观察检查。“标准”强制性条文规定,管网安装完毕后,必须对其进行强度试验、冲洗和严密性试验。需全数检查,检查方法采用检查强度试验、冲洗、严密性试验记录表。
在调试中需重点关注系统的自动跟踪定位灭火模拟调试、模拟末端试水装置调试、系统自动跟踪定位射流灭火试验、联动控制调试。“标准”提出了系统自动跟踪定位灭火模拟调试的检查方法,即在系统保护区内的任意位置上放置一个油盘试验火,系统在自动控制状态应能在规定的定位时间内,自动完成火灾探测、火灾报警、启动相应的灭火装置瞄准火源、启动消防水泵、打开相应的自动控制阀,完成自动跟踪定位灭火模拟的动作。系统自动跟踪定位射流灭火试验是采用1A级别火灾试验模型进行自动定位射流灭火。其定位时间为试验火灾开始燃烧至系统开始射流的时间。此外,系统自动跟踪定位射流灭火试验规定,系统从自动射流开始,自动消防炮灭火系统、喷射型自动射流灭火系统应在5 min内扑灭1A级别火灾,喷洒型自动射流灭火系统应在10 min内扑灭1A级别火灾。系统灭火完成后应自动关闭自动控制阀,并采取人工手动停止消防水泵。
“标准”明确了系统的验收应包括系统施工质量验收和系统功能验收。在系统功能验收中,它包括系统启动功能验收、自动跟踪定位射流灭火功能验收和联动控制功能验收。只有这3个功能验收全部合格后,才能判定系统功能验收的合格。
3 关键技术与特点
“标准”《自动跟踪定位射流灭火系统技术标准》(GB 51427-2021)系首次制订的国家标准,为自动跟踪定位射流灭火系统的设计、施工、验收、维护管理提供了依据,结合自动跟踪定位射流灭火系统的特点,解决了相关的关键技术问题,在满足先进性、科学性、协调性、可操作性以及合理、适度、安全的原则下,“标准”具有一定的创新性。
3.1 技术体系
“标准”规定了系统的适用场所条件,明确了系统的设计选型原则、设计参数、功能要求、调试和系统的验收标准等,提出了新的设计理念和设计方法,形成完整的系统技术体系。
针对自动消防炮灭火系统和喷射型自动射流灭火系统采用柱状水定点进行灭火的特点,其设计方法上明确灭火装置数量对灭火点的保护,这不同于过去一些设计对该类型的认识。而喷洒型自动射流灭火系统喷射的形式是面状的,其设计方法采用作用面积内的喷水强度作为设计参数。
在系统的灭火性能评价上,建立了火灾试验模型(包括试验条件、试验步骤等),规定了灭火性能的定位时间和火源扑灭时间的评判标准,、灭火性能规定到定位时间、火源扑灭时间的评判标准,并提出了系统自动跟踪定位灭火模拟调试、联动控制调试及验收的要求,解决了系统在灭火装置、探测装置、联动装置调试和验收缺少试验方法和要求的问题。
3.2 安全可靠
在设计参数上,对不同应用场所采用不同自动消防炮或喷射型自动射流灭火装置的流量标准,以满足安全可靠的要求。虽然单台灭火装置试验可以灭火,在设计上仍然需要至少2台灭火装置的射流可以覆盖。喷洒型自动射流灭火装置提出最大允许同时开启的数量,推荐探测装置与灭火装置的独立对应,不仅仅是控制消防用水量消耗太大,更是为减少探测范围的重叠以提高系统的可靠性。同时,明确了自动跟踪定位射流灭火系统的设计流量不应小于10 L/s,设计持续喷水时间应不小于1 h。
“标准”精简和规范了系统产品的规格、性能参数,规定了灭火装置的最小流量以提高设计的标准,也有利于产品生产的标准化、有利于工程设计选用和施工,以提升系统的灭火可靠性。系统还增加了现场手动控制的要求,可以通过现场控制箱直接启动消防水泵,打开控制阀门,调整灭火装置瞄准火源的位置。
在电气设计上,根据系统具有电气动力线又有控制线路的特点,提出布线中强电与弱电回路、不同电压等级的线路分开布置的安装要求,以防止导线相互干扰,确保系统的正常运行。
关注系统的可操作性、可维护性。除了自动跟踪定位射流灭火系统需要设置模拟末端试水装置的设计要求外,施工措施上要求管网安装完毕后必须对其进行强度试验、冲洗和严密性试验。
3.3 经济适用
“标准”在确保满足系统灭火功能可靠的前提下,协调与其他消防系统的关系,做到经济适用。“标准”提出了在同一空间场所可以采用不同类型的灭火装置进行组合,以发挥不同灭火装置的作用。若保护区内同时设有火灾自动报警系统时,声、光警报器可与火灾自动报警系统合用,不必重复设置。
在供水上,允许喷射型自动射流灭火系统和喷洒型自动射流灭火系统在有条件的情况下与自动喷水灭火系统共用消防水泵及供水管网,系统可与消火栓系统或自动喷水灭火系统合用高位消防水箱。
当然,“标准”在日后的应用也存在需要进一步检验、改进和完善的内容,并积累工程实际经验。如深入研究喷射型灭火装置的设计参数、结合系统特点形成应用场所危险等级的划分、有效控制误报警和误喷水的发生、操作与控制的完善、灭火装置反作用力的计算等等问题。不断吸收产品技术发展新成果,以持续改进和提升本标准的科学化水平。
4 结语
国家标准《自动跟踪定位射流灭火系统技术标准》(GB 51427-2021)的制定对解决自动跟踪定位射流灭火系统技术标准欠缺的局面,对构建消防设施标准体系,合理设计自动跟踪定位射流灭火系统,保证施工质量,规范验收和维护管理,减少火灾损失,保护人身和财产安全具有重要意义。随着自动跟踪定位射流灭火系统技术越来越多的应用,将会有更多的经验为进一步丰富完善“标准”起到有益的作用。
作者:闵永林、杨志军、杨琦、洪赢政;作者单位:应急管理部上海消防研究所、华东建筑设计研究总院。












