小编说
他们身处漩涡中心,为提交设计图纸连夜奋战;他们协助政府决策,为出台技术方案不眠不休;他们坚守防控一线,在雨雪寒潮中恪尽职守......《给水排水》杂志将在2020年第3/4期开设“新冠病毒阻击战”专栏,记录水业人在本次疫情期间所作的努力和贡献。
战“疫”,用水业人最硬的鳞!

李传志 1966年出生,硕士研究生学历,中信建筑设计研究总院副总工程师,给排水专业总工程师,教授级高级工程师。
主要研究方向:绿色建筑与可持续发展、建筑节水与非传统水资源利用、建筑安全设计与评估、太阳能光热利用、海绵城市设计、水污染防治与黑臭水体治理。
微信对原文有删减。原文标题:火神山新型冠状病毒感染的肺炎传染病医院排水系统安全设计探讨;作者:李传志、张 帆、喻阳光、李魏武;作者单位:中信建筑设计研究总院有限公司。将刊登在《给水排水》2020年战“疫”专栏。
1 项目概况
武汉市为救治新型冠状病毒感染的肺炎患者,解决现有医疗资源不足而紧急建设了武汉火神山医院,选址位于知音湖畔(见图1)。即使知音湖并非武汉水源地,但火神山医院的设计、施工建设及运行管理紧急但不降标准,简易但不简单操作,雨水、污水集中收集处理达标后,再排入市政管网,不造成环境污染,也不带来排水系统安全隐患。
武汉火神山医院新建区规划用地面积约50000㎡,总建筑面积33940.76m²,总床位数1000床(其中ICU中心床位数为30床);主要由1号楼与2号楼组成。
1号楼为单层建筑,由9个单层的护理单元、医技楼及ICU中心组成,每个护理单元设24间病房。病房楼为集装箱结构,中心区域为防护区,分为清洁走廊(清洁区)与护士走廊(半污染区);指廊区域为病房区,分为医护走廊(半污染区)、病房(污染区)与病人走廊(半污染区)3个区。
1号楼内的医技楼设1间标准Ⅲ级手术室、负压检验室与3间CT室。ICU中心设于1号楼与2号楼之间。医技楼与ICU中心为钢结构板房。
2号楼为两层建筑,分4个组团,由8个护理单元组成,每个护理单元设24间病房。其清洁走廊与护士走廊的配置模式与1号楼相同,只不过为单边配置;病房区的配置模式与1号楼相同。
室外氧气站房、负压吸引机房、垃圾暂存间、尸体暂存间及焚烧炉设于场地东南角。
武汉火神山医院新建区全部为传染病院区,医护人员宿舍、生活区全部征用新建区旁边的武汉职工疗养院。疗养院的公用工程配套设施齐全,可以独立运行管理,与新建传染病院区的排水系统及水处理设施完全隔开。
2 排水系统安全设计原则
2.1 新型冠状病毒的特点
冠状病毒是一类具有包膜的RNA病毒,可引起人和动物呼吸道、消化道和神经系统疾病,对有机溶剂和消毒剂敏感,75%酒精、乙醚、氯仿、甲醛、含氯消毒剂、过氧乙酸和紫外线均可灭活病毒。
2019年底在湖北省武汉市出现的冠状病毒,世界卫生组织将其命名为2019新型冠状病毒(2019-nCoV)。新型冠状病毒致病力强、传染性高,传播方式包括空气飞沫传播、气溶胶传播、接触传播及可能的粪口传播。
据香港媒体报道,香港同住在青衣长康邨的“康美楼”内的下上楼邻居,虽然两户相差了10层楼,但共享一条粪便污水排水管和化粪池,下上楼邻居都确诊新型冠状病毒感染的肺炎,怀疑粪便污水排水管道传播。香港卫生防护中心流行病学专家在调查后分析,病毒可能是经粪便污水排水管和未完全密封的化粪池通气管传播的。但香港大学教授强调,新型冠状病毒传染途径至今仍未完全清楚,该个案仍有机会是经飞沫和接触传播的。
2.2 排水系统安全设计原则
室外生活排水与雨水排水系统采用分流制,污染区的污废水与清洁区污废水分流排放,如病房、医技和ICU等与办公区、清洁走廊等卫生器具和装置的污废水与排水通气系统均独立设置,且污废水各自独立排放至预消毒池。为此,首先需要根据医疗设施建筑功能分区、医疗流程布局对清洁区与污染区进行清楚地划分,限制区污废水可排入清洁区排水系统。
2.2.1 医疗设施建筑功能分区
火神山医院主要用于收治确诊新型冠状病毒感染的肺炎重症患者,不设置门诊功能区,生活和后勤保障区采用临近的武汉职工疗养院。因此火神山医院医疗设施建筑功能分区主要为医技区、病房区。
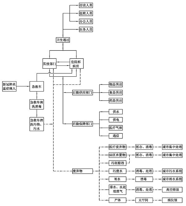
2.2.2 火神山医院基本流程

火神山医院基本流程(见图2)进行了合理划分,医技与住院部充分考虑了清晰的洁污、医患、人车等流线组织,避免院内感染。医疗废弃物、污物、污水、雨水与废气等均得到妥善处置,可以避免生物安全隐患产生。
2.2.3 火神山医院住院部基本流程
火神山医院医疗设施按传染病医疗流程进行布局,且根据新型冠状病毒感染的肺炎传染病治疗流程进一步细化功能分区。基本分区为清洁区、限制区(半清洁区)、隔离区(半污染区和污染区),相邻区域之间设置相应的卫生通过或缓冲间。医护人员进入及退出流线如图3所示。
如图3下侧区域为防护区,主要为清洁走廊及办公区,理论上此区域内医护人员是可以只穿工作服的;与指廊病房相邻的一侧为医护走廊,此区域内医护人员必穿防护服;指廊部分为各病房护理单元,医护人员在此工作区内除了穿防护服外,外面还要穿一层隔离衣,病房护理单元又分为3个区:内走廊为医护走廊,为潜在污染区,病房为污染区,病人走廊(外走廊)最初从管理的角度考虑,设计成开敞围廊,后更改为医生进入病房后的退出通道,医院管理方认为,只要医护人员进入了病房,就被污染,不能原路返回,应该脱掉最外层的隔离衣后才能走入医护走廊。病人走廊区域实为半污染走道,医院管理方按可开启空间考虑。

减少接触传播,需做到及时洗手,做好手部卫生,医护人员需要及时淋浴清洗,避免将病毒带到清洁区。同时需要做好室内清洁,保持环境卫生整洁,减少室内环境污染,避免经由污废水管道传染清洁区。
新型冠状病毒感染的肺炎传染病医院需要在短时间内应对大量增加的病患,满足快速收治病人的需求,又要确保安全运行,特别是生物安全、环境安全、结构和消防安全。生物安全是重中之重,既要防止病毒在医疗设施内传染,同时也要防止医疗设施对周边地区的感染;环境安全主要是防止排放医疗垃圾、污水和废气对环境的污染。传染病医院一旦排水处置不当,就会造成病毒的蔓延风险。
3 排水系统安全设计方法
3.1 合理选择卫生洁具,保持器具水封可靠
选择符合标准要求的卫生洁具,保持器具存水弯水封有效,合理设置地漏并保持水封有效。
卫生器具的材质和技术要求,均应符合国家现行标准GB6952《卫生陶瓷》和JC/T2116《非陶瓷类卫生洁具》的规定,并应符合下列要求:
(1)大、小便器均选择构造内有存水弯的卫生器具,大便器宜选用冲洗效果好、污物不易黏附在便槽内且回流少的器具;不应选择构造内无存水弯的大、小便器,以避免存水弯前段病人排泄物的滞留带来传染隐患。
(2)洗手盆不采用盆塞。根据新型冠状病毒的预防感染措施,要保持手卫生,需要用流水洗手,所以洗手盆无需采用盆塞。
(3)卫生器具选型应能挂式安装。卫生器具挂式安装,便于地面清洗消毒,没有死角,易于方便彻底消毒。
除了需要地面排水的部位,如准备间、污洗间、卫生间、浴室、空调机房等设置地漏外,其他如护士室、治疗室、诊室、检验科、医生办公室等房间不应设地漏。地漏采用带过滤网的无水封地漏加存水弯,水封不小于50mm,且不得大于75mm;并采用洗手盆的排水给地漏水封补水;用于手术室、急诊抢救室等房间的地漏应采用可开启的密封地漏。
病房、化验室、试验室等在同一房间内的卫生器具也不共用存水弯。
3.2 分类收集、分区排水
火神山医院将医技、病房及ICU定义为污染区,在污染区内的盥洗、洗浴废水及卫生间粪便污水均归为污染区排水。医护人员可以只穿工作服的清洁走廊及办公区定义为清洁区,在该区内的盥洗、洗浴废水及卫生间粪便污水均归为清洁区排水。污染区内重症病人的排泄物、分泌物,应采用专用密闭容器就地收集,按卫生部门提供的消毒方法经及时消毒后,再倒入病房卫生间或集中收集、专门处置。
污染区的污废水与清洁区污废水分流排放,且污废水应各自独立排到预消毒池。生活排水流程如图4。

车辆冲洗和消毒废水排入污水系统,排水口下采取水封措施;空调冷凝水分区集中收集,间接排水,设置在污染区的空调冷凝水只能排入污染区生活排水系统管道;布置在清洁区的空调冷凝水排入清洁区生活排水系统管道。空调冷凝水全部排入污水处理站处理。
3.3 排水系统管道分区独立通气,分区集中收集处理
污染区如病房、医技及ICU等与清洁区的卫生器具和装置的污废水与排水通气系统均独立设置。避免污染区带有病毒的废气传播到清洁区,造成感染。生活排水系统通气管道布置如图5。

排水系统的通气管口不应接人空调通风系统的排风管道,应上排至屋面。排水通气管中废气应集中收集后处理排放。
室外排水检查井采用密封井盖,并设置不小于DN100通气管,将室外排水管道中的废气上排至屋面通风良好处进行处理。
3.4 室外场地雨水隔离地下水系,雨水快速排水,集中消毒处理
由于火神山医院选址知音湖畔,为防止污水渗漏和雨水下渗,与地下水系统发生交换,带来地下水污染风险,设计在项目用地内满铺HDPE防渗膜,避免雨水下渗,与知音湖水系完全隔离。室外场地雨水的径流(雨水排水方向)组织为快速排向雨水口,通过管道集中收集排放,减少地表雨水径流对知音湖水体的污染风险。雨水排水组织如图6。

室外雨水应采用管道系统排水,不采用地面径流或明沟方式排放。采用地面径流或明沟排放,一旦被新型冠状病毒污染,易再次通过室外雨水排水扩散病毒,接触到易感人群,增加导致新型冠状病毒感染的肺炎暴发或流行的风险,因此火神山医院设了单独的雨水排水管道系统。
由于院区用地范围内的场地满铺HDPE防渗膜,雨水不能下渗,地面的雨水径流系数采用ψ=1.0。市政污水管无法全部接纳院区设计重现期P=3年的降雨水量,设置了雨水贮存调节设施。
3.5 强化污水消毒处理、雨水消毒后排除;污水处理设施尾气集中收集消毒处理后排放
火神山医院属于新型冠状病毒感染的肺炎传染病医院,按照GB50849《传染病医院建筑设计规范》第6.4.2条,“医技、病房和ICU病房的污水应先排人化粪池,灭活消毒后应与废水一同进入医院污水处理站,并应采用二级生化处理后再排人城市污水管道。”GB18466《医疗机构水污染物排放标准》第4.1.1条规定“传染病医疗机构污水排放一律执行表1的规定”。
火神山医院从2020年1月23日开始设计,2月3日前建成,历时10天。由于新型冠状病毒感染的肺炎传播速度快、蔓延范围广,武汉地区病患短时间内大量增加,为了弥补武汉市原有的医疗设施不足,作为应急建设专门的医疗设施,为满足快速发病的需求,必须立即投入使用。因此火神山医院建成后,虽然建有二级生化处理设施,但污水处理不能即刻满足现行国家标准GB50849《传染病医院建筑设计规范》二级生化处理的有关规定,生化处理调试运行周期过长,将影响火神山医院即刻投入使用,从而影响大量收治重症病人。设计按二级生化处理工艺配置,前期短时间内按预消毒+化粪池+消毒的处理工艺流程运行。预消毒的目的是为了在预消毒接触池后,保护后续污水处理站的运行安全。通过室外密闭排水系统输送到预消毒接触池的为污废合流排水,参考HJ2029《医院污水处理工程技术规范》第4.2.2条设计水质以及同类医院污水水质经验数据,原污水进水水质指标如表1。

表1表明,预消毒接触池的进水有机物含量高、悬浮物较多,充分的灭菌消毒将消耗较多的消毒剂。冠状病毒对有机溶剂和消毒剂敏感,含氯消毒剂可灭活病毒,但目前缺少新型冠状病毒耐受含氯消毒剂的投加量及接触时间方面的试验数据,加上对气溶胶传播的疑虑以及香港长康邨的“康美楼”病例的确切判断,因此预消毒的接触时间按不小于2h设计,以充分满足GB18466《医疗机构水污染物排放标准》表1中生物安全指标要求:粪大肠菌群数<100个/L,肠道致病菌、肠道病毒、结核杆菌不得检出。污水处理站尾水pH=6~9,接触池出口总余氯6.5~10mg/L。GB18466表1中的第6~24项指标,将不作为主要控制要求,满足生态环境部《关于做好新型冠状病毒感染的肺炎疫情医疗污水和城镇污水监管工作的通知》环办水体函〔2020〕52号的要求。
虽然消毒工艺投加较多的含氯消毒剂,将会对后续污水处理站的生化处理带来不利影响,但还有最重要的一点,项目要求在10天内完成施工交付,建设工期超短,且处于春节长假期间,施工单位能采买到的设备和材料受到极大的限制,这在很大程度上左右了工艺的选择,所以预消毒工艺没有选择臭氧消毒剂。
二级生化处理选用的生物工处理艺也受到许多因素的制约。由于新型冠状病毒感染的肺炎的传播途径缺少充分的实验验证,污水处理站内各构筑物产生的尾气可能含有病毒,为此要求密闭,尾气统一收集消毒处理后排放。曝气量大的工艺,意味着较大的尾气处理量,也可能包含着较大的病毒扩散风险。
受制于场地条件、供货地点及供货时间,经过多工艺比选,火神山医院污水处理的生化工艺选用能够武汉供货、并可快速安装并投入使用的MBBR工艺。污水处理工艺流程如图7。

神山医院在运行投入使用的初期,无法实施二级生化处理工艺,暂按预消毒+化粪池+消毒的处理工艺流程运行,污水处理消毒处理工艺如下:
(1)污水处理设置预消毒工艺,并设置在化粪池前,预消毒池的水力停留时间不小于2h;污水处理站的消毒池水力停留时间不小于2h。
(2)污水处理从预消毒工艺至污水处理站尾水消毒工艺全流程的水力停留时间不小于2d。
(3)化粪池和污水处理后的污泥回流至化粪池后总的清掏周期不小于360d。
(4)消毒剂的投加根据在线余氯监测情况确定,但pH不大于6.5。
预消毒的目的是保证污水处理后续工艺运行安全,预消毒的接触时间不小于2h,是考虑到新型冠状病毒在水中存活的时间可能较长,需要污水在化粪池中的停留时间不少于36h。从预消毒到污水处理站出口消毒的总水力停留时间不小于2d,以确保污水处理站尾水出水的生物安全性。污泥清掏周期为1年,是考虑作为应急医院,运行期间无需清掏。
4 结语
新型冠状病毒感染的肺炎传染病医院的生物安全至关重要,既要防止病毒在医疗设施内感染医护人员,同时也要防止医疗设施对周边地区环境及人员的感染。火神山医院的排水系统包括收集、输送、处理等工程及设施,排水管道连通了各个医疗护理单元,医技及医护办公等各个医疗功能区,期中任何一个环节,都需要保证迅速畅通地将污废水排到室外,又能保持排水管道系统内的气压稳定,阻止有毒有害气体进人室内,保持室内良好的环境卫生。因此新型冠状病毒感染的肺炎传染病医院排水系统的器具选择、管道分区敷设、排水通气管道的分区设置及污水的无害化处理将至关重要,排水系统的安全设计是阻止新型冠状病毒在院区蔓延的重要保证。












