研究简介
铁盐作为一种常见的化学絮凝剂被广泛应用于城市水系统各个单元中,以实现污染物去除等多种目的。目前针对铁盐絮凝剂在城市水系统中的应用及研究主要集中于优化投加点处目标污染物去除效率,并同时减少化学投加量。但其研究范围仅局限在孤立的单元中,并未综合考虑投加的絮凝剂对下游单元及整个系统造成的影响。近五年来,昆士兰大学水管理高等研究中心 (AWMC) Zhiguo Yuan 团队针对铁盐在城市水系统中的使用进行了大量系统性研究,通过追踪铁盐在城市水系统迁移中给下游单元带来的影响和二次效益,首次提出铁盐在城市水系统中的综合使用策略,从而在实现多种管理效益的同时极大地减少化学试剂的使用量。通过实验室和现场研究发现,向下水管道中投加铁盐或富含铁的饮用水污泥均能实现控制下水道腐蚀和异味,污水处理厂除磷,以及去除厌氧消化沼气中的硫化氢(H2S)的目的。同时,研究发现厌氧消化污泥中的铁主要以蓝铁石的形式存在,并能对其进行回收和再利用。铁盐的综合使用策略能够极大地节省污水管理的运营成本。该策略在两个试验场(分别为十三万吨和五万吨日进水量)的试用为水务公司节省约150万澳元/年。该研究的发现表明在未来的研究和管理中应更多地从系统尺度上对城市水系统中化学药剂的使用进行综合考虑。
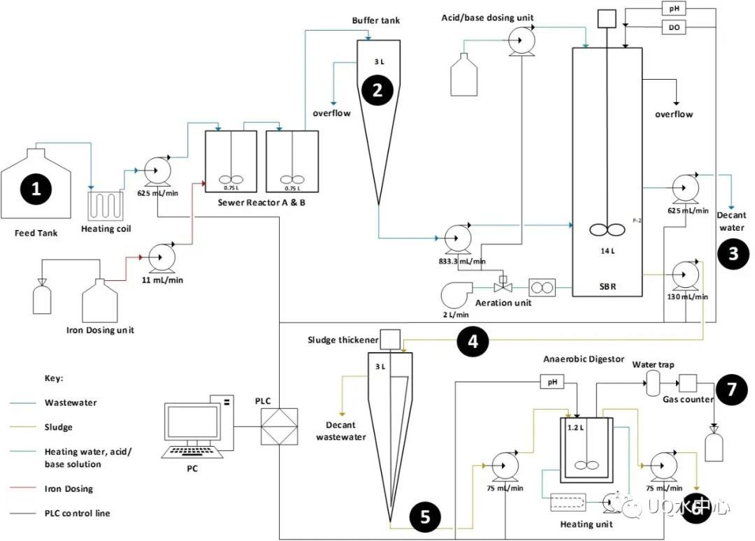
研究简图
背景简介
2014年昆士兰大学Zhiguo Yuan 团队在《Science》期刊上发表文章(见参考文献1)指出饮用水厂使用的主要絮凝剂硫酸铝间接地成为下水管道中硫化物的主要来源,而由硫化物诱发的混凝土腐蚀被认为是下水道腐蚀的主要原因。这一发现表明给水系统和污水系统之间具有显著的联系,基于单一系统采用的管理策略可能会对城市水系统基础设施中的其他组成部分造成负面影响,因此未来应从系统尺度对城市水系统进行综合管理。

图1:饮用水厂中硫酸铝絮凝剂投加量对下水道腐蚀治理费用的影响
铁盐尤其是氯化铁(FeCl3)作为一种主要的絮凝剂被投加在城市水系统中的不同单元,可分别用于饮用水处理、下水管道腐蚀和异味管理、污水厂除磷、厌氧消化沼气中去除H2S。投加在上游单元中的铁盐会在城市水系统中随着污水或污泥向下游迁移,从而对下游过程造成影响。基于铁的化学过程十分复杂和多样,而城市水系统不同单元具备不同的氧化还原条件,因此在应用铁盐絮凝剂时应当考虑到其在城市水系统中的迁移效应。本研究旨在提出一种铁盐的综合性使用策略,通过用FeCl3取代硫酸铝絮凝剂,来同时实现下水道腐蚀和异味管理,污水厂化学除磷,以及去除厌氧消化沼气中的H2S。
投加铁盐对下水道及下游污水系统单元的影响
(1)实验室反应器系统和污水厂介绍
实验室搭建了两套模拟城市水系统的反应器系统(实验组和对照组),进水为实际生活污水,运行阶段超过三年。每个系统均包含两个下水道反应器,初级沉淀池,序批式反应器(SBR),污泥浓缩池,和污泥厌氧消化反应器(AD)。实验组中包含一个铁盐投加单元,在第一阶段的运行中直接向反应器系统连续投加10 mgFe/L的FeCl3;在第二阶段的运行中,含铁的饮用水污泥取代FeCl3以10mgFe/L的浓度被连续投加到实验组系统中。

图2:实验室模拟城市水系统的实验反应器系统图,包含铁盐投加单元。对照反应器系统结构与实验反应器系统一致,但不含铁盐投加单元。数字代表手动取样点,用于采集污水和污泥进行分析
现场铁盐投加试验在澳大利亚昆士兰州的两个污水处理厂进行,服务人口分别为90万和25万人,日进水量分别为十三万吨和五万吨。
(2)研究主要成果和结论
实验室研究和现场试验均表明在下水道中投加铁盐可以降低下水道污水的溶解态硫化物浓度,提升下游污水处理过程中磷的去除,降低沼气中的H2S浓度。铁盐的投加并未对生物脱氮和污泥厌氧消化生成的沼气量产生影响。同时,厌氧消化污泥的脱水性能得到了显著提升(实验室研究提升了17.7 ± 1.0%)。投加铁盐后活性污泥的沉降性和脱水性能都得到了提升。另外,投加的铁盐在下水道污水中形成硫化亚铁颗粒(FeS),能够快速吸附某些有机微污染物,从而显著降低下游污水处理厂进水中溶解态微污染物负荷。
研究详情可参考团队发表在《Water Research》,《Environmental Science& Technology》,《Chemical EngineeringJournal》的研究论文,见参考文献2-6。
投加含铁饮用水污泥对下水道及下游污水系统单元的影响
(1)实验室反应器系统和中试下水管道实验介绍
实验室反应器系统见图2. 实验中投加的含铁(FeCl3)饮用水污泥来源于悉尼饮用水厂的浓缩污泥。中试试验在两个直径为100毫米,长度为300米的加压排水管道(图3)中进行,该试验分别测试了投加含铁和含铝污泥对下水道污水中硫化物和磷的去除效果影响。
图3: 中试用排水管道
(2)研究主要成果和结论
实验室研究表明在下水道中投加含铁污泥可以降低下水道污水中硫化物浓度,提升下游污水处理过程中磷的去除,以及降低厌氧消化污泥中的硫化物浓度。同时,活性污泥的沉降性能及厌氧消化污泥的脱水性能均得到提升。另外,研究表明,初级沉淀池会降低含铁饮用水污泥投加后对下游过程带来的效益,但可以通过更改系统配置来降低甚至消除初级沉淀池的影响。
中试研究表明投加含铁污泥可以有效去除下水道污水中的硫化物,但对于磷的去除作用有限。而投加含铝污泥则可以有效去除磷但不能去除硫化物。
研究详情可参考团队发表在《Water Research》,《ChemicalEngineering Journal》的研究论文,见参考文献7-9,11。
下水道投加的铁在下游污水厂消化污泥中的回收和回用
(1)厌氧消化污泥中铁的回收及回收铁去除硫化物实验
采用两步法从厌氧消化污泥中回收投加的铁。第一步利用磁选法将蓝铁石从污泥中分离,第二步在碱性条件下(pH=13)将蓝铁石分离为富铁固体物和富磷的液相部分。富铁固体物被进一步用于去除污水中硫化物的实验研究。
(2)研究主要成果和结论
实验结果表明下水道投加的铁(以铁盐或含铁饮用水污泥形式)能够从下游污水厂消化污泥中以蓝铁石的形式被回收。含铁饮用水污泥中92±2%的铁存在于消化污泥的蓝铁石中,该比例与投加FeCl3类似。在投加铁盐和含铁饮用水污泥后得到的消化污泥中蓝铁石回收率分别为11±0.2% 和 15.3±0.08%,蓝铁石的纯度分别为70±5% 和49±3%。蓝铁石中几乎全部的铁均以水合氧化铁的形式被分离出来。回收的水合氧化铁能够被直接用于去除下水道中硫化物。该结果表明在饮用水处理中产生的废弃物可以被转化为有价值的资源,可据此为给水和污水设施设计出一个闭环的铁盐絮凝剂的管理策略。
研究详情可参考团队发表在《Water Research》的研究论文,见参考文献12。
总结及展望
本研究提出了一种新的铁盐在城市水系统中的综合使用策略,并通过实验室,中试和现场研究验证了其有效性。用FeCl3取代硫酸铝作为饮用水处理的主要絮凝剂,并将含铁饮用水污泥投加在下水道中,或在没有含铁饮用水污泥来源时直接投加FeCl3均可同时实现下水道腐蚀和异味管理,污水厂除磷,以及去除厌氧消化沼气中的H2S。采用本研究提出的铁盐综合使用策略能够显著降低城市水系统中化学试剂的使用量,为城市水基础设施和社会公众带来巨大的经济和环境效益。目前该研究发现已影响了众多其他水务机构在化学试剂使用上的管理决策。同时,这项研究也指出了在未来城市水管理过程中提供水服务的不同机构之间的合作机会,通过加强合作来构建综合性的城市水管理策略,从而实现效益的共享,并且在提升环境可持续性的同时降低服务成本。

研究团队合影
本文作者:李怡婧 昆士兰大学水管理高等研究中心博士研究生
研究内容原文链接
1. Pikaar, I., Sharma, K. R., Hu, S., Gernjak,W., Keller, J., Yuan, Z. 2014. Reducing sewer corrosion through integratedurban water management. Science 345,(6198), 812.https://science.sciencemag.org/content/345/6198/812.full
2. Rebosura, M., S Salehin, I Pikaar, X Sun, J Keller, K Sharma, ZYuan. 2018. A comprehensive laboratory assessment of theeffects of sewer-dosed iron salts on wastewater treatment processes.Water Research 146:109-117. https://www.sciencedirect.com/science/article/abs/pii/S0043135418307255
3. Shrestha, S, K Sharma, Z Chen, Z Yuan. 2019. Unravelling theinfluences of sewer-dosed iron salts on activated sludge properties withimplications on settleability, dewaterability and sludge rheology. Water Research 167: 115089. https://www.sciencedirect.com/science/article/abs/pii/S0043135419308632
4. Kulandaivelu, J., Gao, J., Song, Y., Shrestha, S., Li, X., Li, J.,Doederer, K., Keller, J., Yuan, Z., Mueller, J.F. and Jiang, G. (2019) Removalof Pharmaceuticals and Illicit Drugs from Wastewater Due to Ferric Dosing inSewers. Environmental Science & Technology, 53(11):6245-6254. https://pubs.acs.org/doi/10.1021/acs.est.8b07155
5. Salehin, S., Kulandaivelu, J., Rebosura M,Khan, W., Wong, R., Jiang, G., Smith, P., McPhee, P., Howard, C., Sharma, K., Keller,J., Donose, B. C., Yuan, Z. and Pikaar, I. (2019). Opportunities forreducing coagulants usage in urban water management: the Oxley Creek SewageCollection and Treatment System as an example. Water Research 165:114996. https://www.sciencedirect.com/science/article/abs/pii/S0043135419307705
6. Kulandaivelu, J., Shrestha, S., Khan,W., Dwyer, J., Steward, A., Bell, L., McPhee, P., Smith, P., Hu, S., Yuan, Z., Jiang,G. (2019). Full-scale investigation of ferrous dosing insewers and a wastewater treatment plant for multiple benefits. Chemosphere 250: 126221. https://www.sciencedirect.com/science/article/abs/pii/S0045653520304148
7. Rebosura Jr. M., Salehin, S., Pikaar,I., Kulandaivelu, J., Jiang, G., Keller, J., Sharma, K., Yuan, Z. (2020) Effectsof in-sewer dosing of iron-rich drinking water sludge on wastewater collectionand treatment systems. Water Research 171, 115396. https://www.sciencedirect.com/science/article/abs/pii/S0043135419311704
8. Rebosura, M., Keller, J., Sharma, K., Yuan,Z. (2020) The impact of primary sedimentation on themultiple use of iron in an urban wastewater system. Journal of Hazardous Materials (in revision).
9. Shrestha, S, J Kulandaivelu, K Sharma, GJiang, Z Yuan. (2019). Effects of dosing iron- and alum-containingwaterworks sludge on sulfide and phosphate removal in a pilot sewer. Chemical Engineering Journal 387, 124073. https://www.sciencedirect.com/science/article/abs/pii/S1385894720300644
10. Shrestha, S., Kulandaivelu, J., Rebosura,M., Yuan, Z., Sharma, K. (2020). Elucidating the influence of sewer-dosed ironsalts on anaerobically digested sludge properties with implications onimproving dewaterability. Chemical Engineering Journal.
11. Salehin, S., Kulandaivelu, J., RebosuraJr., M., van der Kolk, O., Keller, J., Doederer, K., Gernjak, W., Donose, B.C., Yuan, Z. and Pikaar, I. (2020). Effects of aging of ferric-based drinkingwater sludge on its reactivity for sulfide and phosphate removal. WaterResearch, 184, 186179. https://www.sciencedirect.com/science/article/abs/pii/S0043135420307168
12. Salehin, S., Rebosura Jr., M., Keller,J., Gernjak, W., Donose, B. C., Yuan, Z. and Pikaar, I. (2020) Recovery ofin-sewer dosed iron from digested sludge at downstream treatment plants and itsreuse potential. Water Research 174: 115627. https://www.sciencedirect.com/science/article/abs/pii/S0043135420301639












